

 全国免费客服电话 153 5807 8865
全国免费客服电话 153 5807 8865 邮箱:heleiliuti@163.com
手机:0510-8899 5366
电话:153 5807 8865
地址:无锡市梁溪区会岸路90号
美标衬氟球阀150LB内腔及球体均采用高压注塑工艺衬有耐腐蚀、耐老化的聚全氟乙丙稀(F46),具有极高的化学稳定性,结而且构紧凑合理,减小了介质滞留,使阀门达到零泄漏 ,故有可靠的耐腐蚀性和密封性。
产品详情
美标衬氟球阀150LB内腔及球体均采用高压注塑工艺衬有耐腐蚀、耐老化的聚全氟乙丙稀(F46),具有极高的化学稳定性,结而且构紧凑合理,阀体内腔空间小,减小了介质滞留,另外,特殊的模压工艺,使密封面致密度良好,加之人字环形PTFE填料组合,使阀门达到零泄漏 故有可靠的耐腐蚀性和密封性。广泛用于化工、石油、冶金、医药等工业部门,实现对生产过程中酸、碱等强腐蚀介质的调节或切断,在水处理过程控制中使用效果最明显。
| 设计和制造 | API608、API6D | 
| 结构长度 | ASME B16.10 | 
| 法兰端尺寸 | ASME B16.5 | 
| 压力试验 | API598 | 
| 零件名称 | 灰铸铁 | 碳钢 | 不锈钢 | 超低碳不锈钢 | ||
| Name | Z | C | P | R | PL | RL | 
| 阀体、阀盖 | A126Ci35A | A216C WCB | A351 CF8 | A351 CF8M | A351 Cf3 | A351 CF3M | 
| 球 | WCB | WCB | CF8 | CF8M | CF3 | CF3M | 
| 填料阀盖 | A126Ci35A | A216C WCB | A351 CF8 | A351 CF8M | A351 Cf3 | A351 CF3M | 
| 衬里层/阀座 | PTFE(F4) PCTFE(F3) FEP(F46) PFA(可溶性聚四氟乙烯) PO(聚烯烃) | |||||
| 螺栓 | A193 B7 | A193 B7 | A193 B7M | A193 B7 | A193 B7 | A193 B7M | 
| 螺母 | A194 2H | A194 2H | A194 8 | A194 2H | A194 2H | A194 8 | 
| 手柄 | A216 WCC | |||||
| 填料 | PTFE(F4)聚四氟乙烯 | |||||
 
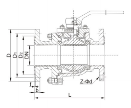
| 公称通径 | 标准值 | 参考值 | |||||||||
| DN(min) | NPS(mm) | L | D | D1 | D2 | f | b | Z-Φd | Do | H | W(kg) | 
| 15 | 1/2 | 108 | 89 | 60.5 | 35 | 2 | 12 | 4-Φ15 | 120 | 80 | 2.5 | 
| 20 | 3/4 | 117 | 98 | 70 | 43 | 2 | 12 | 4-Φ15 | 140 | 90 | 3 | 
| 25 | 1 | 127 | 108 | 79.5 | 51 | 12 | 4-Φ15 | 160 | 100 | 4.5 | |
| 32 | 1 1/4 | 140 | 117 | 89 | 64 | 2 | 13 | 4-Φ15 | 160 | 110 | 5.7 | 
| 40 | 1 1/2 | 165 | 127 | 98.5 | 73 | 2 | 15 | 4-Φ15 | 200 | 120 | 9.5 | 
| 50 | 2 | 178 | 152 | 120.5 | 92 | 2 | 16 | 4-Φ19 | 250 | 135 | 15 | 
| 65 | 2 1/2 | 190 | 178 | 139.5 | 105 | 2 | 18 | 4-Φ19 | 300 | 145 | 19 | 
| 80 | 3 | 203 | 190 | 152.5 | 127 | 2 | 19 | 4-Φ19 | 350 | 185 | 30 | 
| 100 | 4 | 229 | 229 | 190.5 | 157 | 2 | 24 | 8-Φ19 | 400 | 195 | 58 | 
| 125 | 5 | 245 | 254 | 216 | 186 | 2 | 24 | 8-Φ22 | 500 | 210 | 93 | 
| 150 | 6 | 394 | 279 | 241.5 | 216 | 2 | 26 | 8-Φ22 | 200* | 450 | 155 | 
| 200 | 8 | 457 | 343 | 298.5 | 270 | 2 | 29 | 8-Φ22 | 240* | 490 | 210 | 
| 250 | 10 | 533 | 406 | 362 | 324 | 2 | 31 | 12-Φ25 | 280* | 550 | 295 | 
| 300 | 12 | 610 | 483 | 432 | 381 | 2 | 32 | 12-Φ25 | 320* | 605 | 305 | 
| 350 | 14 | 686 | 533 | 476 | 413 | 2 | 35 | 12-Φ29 | 320* | 685 | 325 | 
| 400 | 16 | 762 | 597 | 540 | 470 | 2 | 37 | 16-Φ29 | 360* | 785 | 325 | 
相关推荐